• 18-563  CMW
  • Sketch for 18-563  CMW

18-563 CMW

Part #: 235-18-563

Request 3D Model

Request 3D Model


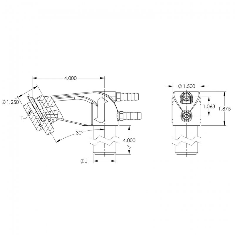
The 500 Series Offset Holders are available with different offsets and engagement angles to fit any job. The ejector style allows for easy removal of the electrode. The part is nickel plated to resist wear. These holders are commonly used with Rocker Arm and Pedestal Type welders.

RMWA Class 3 material is high strength copper alloy recommended for structural secondary components and electrode holders subjected to high forces. This is a heat treatable alloy used in the fully heat treated condition.

  • The mounting shank length is 4.000 IN
  • The mounting shank diameter is 1.25 IN
  • The part holds a subcomponent via a 5RW standard taper which is suitable for weld forces ranging between 800 to 1500 pounds of force.
  • The offset is 4 IN
  • The engagement angle is 30 Degrees
  • Ejector Type Part
  • The part is nickel plated to protect against corrosion.

Specifications

RWMA Material RWMA Class 3
Shank Diameter [J] 1.25
RWMA Taper [T] 5RW
Offset [H] 4.0000
Shank Length [G] 4.000
Unit of Measure IN
Engagement Angle [D] 30.0
Ejector Type Yes
Nickel Plated Yes

Notice for California Residents

WARNING: Cancer and Reproductive Harm WARNING: Cancer and Reproductive Harm www.p65warnings.ca.gov