• 18-448  CMW
  • Sketch for 18-448  CMW

18-448 CMW

Part #: 235-18-448

Request 3D Model

Request 3D Model


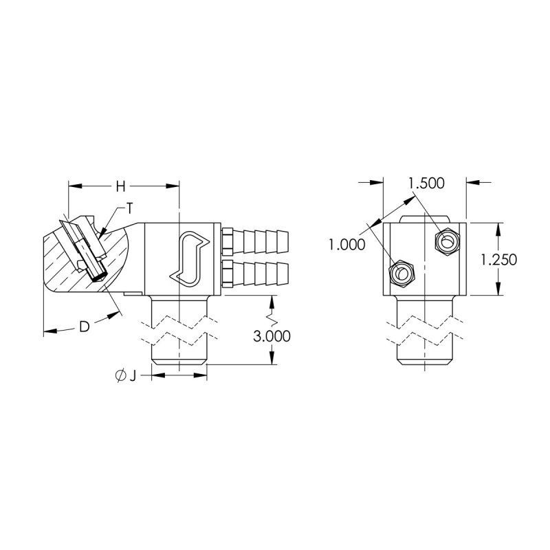
The 400 Series Offset Holders are available with different offsets and engagement angles to fit any job. The parts are nickel plated to resist wear. These holders are commonly used with Rocker Arm and Pedestal Type welders.

RMWA Class 2 material is high conductivity and high strength alloy recommended for structural, current carrying secondary components and electrode holders. This is a heat treatable alloy used in the fully heat treated condition.

  • The mounting shank length is 3.000 IN
  • The mounting shank diameter is 1 IN
  • The part holds a subcomponent via a 5RW standard taper which is suitable for weld forces ranging between 800 to 1500 pounds of force.
  • The offset is 2 IN
  • The engagement angle is 30 Degrees
  • The part is nickel plated to protect against corrosion.

Specifications

RWMA Material RWMA Class 2
Shank Diameter [J] 1
RWMA Taper [T] 5RW
Offset [H] 2.0000
Shank Length 3.000
Unit of Measure IN
Engagement Angle [D] 30.0
Nickel Plated Yes

Notice for California Residents

WARNING: Cancer and Reproductive Harm WARNING: Cancer and Reproductive Harm www.p65warnings.ca.gov