• 18-120102 CMW
  • Sketch for 18-120102 CMW

18-120102 CMW

Part #: 294-18-120102

Request 3D Model

Request 3D Model


The Multi-Spot Welder Clamp connects the weld cable to the holder.

The part is made from C110 copper

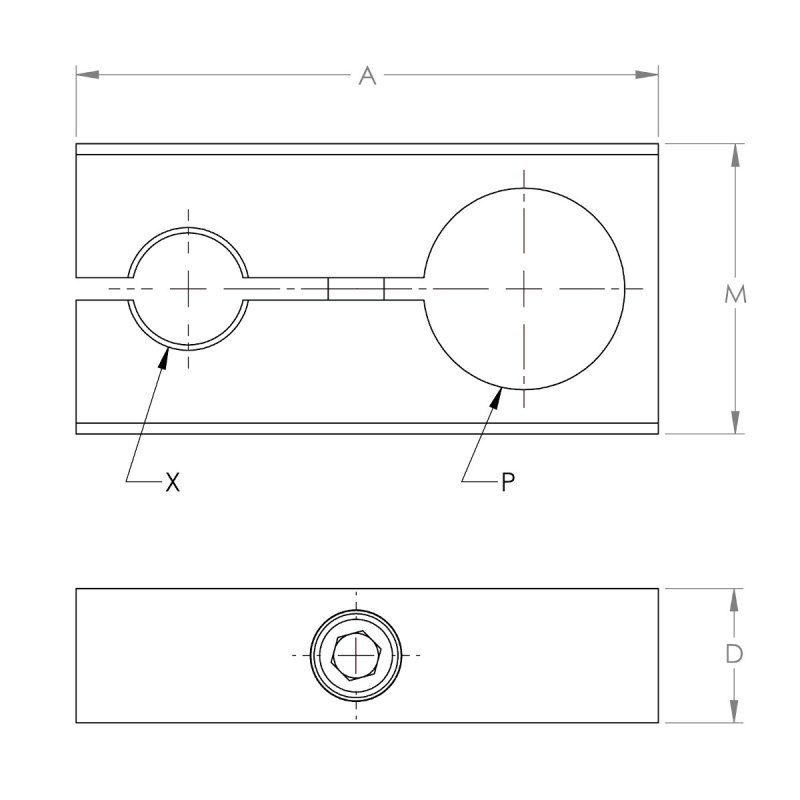
  • The overall length is 3.25 IN
  • The width is 1.5 IN
  • The part has a 1.125 IN hole to mount the straight holder
  • The part has a 0.625 IN hole to mount the weld cable
  • The part has a interal screw used to clamp the part onto the straight holder
  • The part is silver pated to maximize conductivity

Specifications

Length [A] 3.25000
Width [M] 1.50000
Thickness [D] 0.75000
Diameter of Welding Cable Socket [X] 0.625
Diameter of Holder Socket [P] 1.125
Unit of Measure IN

Notice for California Residents

WARNING: Cancer and Reproductive Harm WARNING: Cancer and Reproductive Harm www.p65warnings.ca.gov