• 18-994 CMW
  • Sketch for 18-994 CMW

18-994 CMW

Part #: 270-18-994

Request 3D Model

Request 3D Model


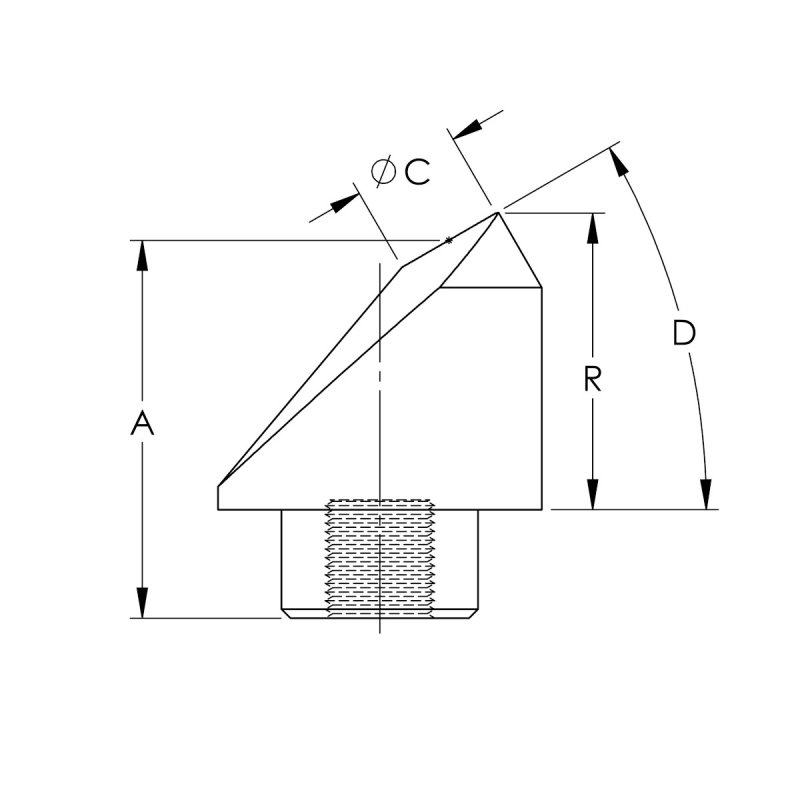
Threaded Socket Tips for are designed for welding in tight spaces. The low profile design allows users to weld in areas with minimal clearances. The tips are designed for use with 900 and 950 Series Univeral Paddle Holders.

RWMA Class 3 (C18000) is a beryllium free resistance welding alloy recommended for spot welding high resistance materials such as stainless steel, Nichrome, Inconel and Monel.

  • The overall length is 0.7050 IN
  • The outside diameter is 0.557 IN
  • A 10 - 32 Tap Hold Screw holds the tip in place
  • The H nose or angled offset nose is designed to accommodate the angled offset the electrode holder and ensure the weldface is perpendicular to the workpieces.
  • The weld face is 0.188 IN
  • The engagement angle is 30 Degrees

Specifications

RWMA Material Type RWMA Class 3 - C18000
Thread Size 10 - 32 Tap Hold Screw
Nose Type H
Overall Length [A] 0.70500
Hex Dia. [B] 0.55700
Welding Face Dia. [C] 0.188
Head Height [R] 0.5175
Unit of Measure IN
Nose Engagement Angle 30.0

Notice for California Residents

WARNING: Cancer and Reproductive Harm WARNING: Cancer and Reproductive Harm www.p65warnings.ca.gov