• 18-971 CMW
  • Sketch for 18-971 CMW

18-971 CMW

Part #: 270-18-971

Request 3D Model

Request 3D Model


Threaded Socket Tips for are designed for welding in tight spaces. The low profile design allows users to weld in areas with minimal clearances. The tips are designed for use with 900 and 950 Series Univeral Paddle Holders.

RMWA Class 1 (C15000) material - a copper zirconium material recommended for spot welding coated materials and highly conductive materials such as aluminum, magnesium alloys, brass and bronze.

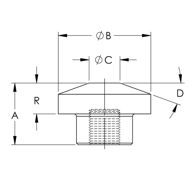
  • The overall length is 0.3750 IN
  • The outside diameter is 0.563 IN
  • A 10 - 32 Tap Hold Screw holds the tip in place
  • The E nose or Truncated face tip is an efficient design that does not trap weld flash on the face and may reduce mushrooming.
  • The weld face is 0.188 IN

Specifications

RWMA Material Type RWMA Class 1 - C15000
Thread Size 10 - 32 Tap Hold Screw
Nose Type E
Overall Length [A] 0.37500
Hex Dia. [B] 0.56300
Welding Face Dia. [C] 0.188
Head Height [R] 0.1875
Unit of Measure IN
Offset / Truncated Angle 20.0