• 5323 CMW
  • Sketch for 5323 CMW

5323 CMW

Part #: 252-5323

Request 3D Model

Request 3D Model


Straight tips are durable and long lasting making them a good choice for use with any standard rocker arm, press type or bench mounted machine. The deep water hole ensures proper cooling of the weld face. They are a great choice for a job shop that run many different products on the same machines.

RWMA Class 3 (C18000) is a beryllium free resistance welding alloy recommended for spot welding high resistance materials such as stainless steel, Nichrome, Inconel and Monel.

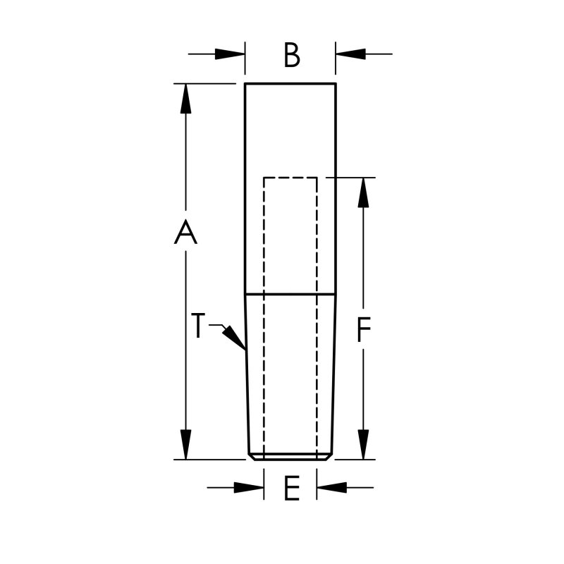
  • The overall length is 1.50 IN
  • The outside diameter is 0.625 IN
  • The part mounts via a 5RW standard taper which is suitable for weld forces ranging between 800 to 1500 pounds of force.
  • The C nose of Flat face tip is frequently used as a backup electrode for projection welding, cosmetic welds, or to control heat balancing of the weld by controlling the current density.
  • The weld face is 0.625 IN

Specifications

RWMA Material Type RWMA Class 3 - C18000
RWMA Taper [T] 5RW
Nose Type C
Overall Length [A] 1.50000
Outer Diameter [B] 0.62500
Welding Face Dia. [C] 0.625
Water Hole Dia. [E] 0.37500
Water Hole Depth [F] 0.750
Unit of Measure IN

Notice for California Residents

WARNING: Cancer and Reproductive Harm WARNING: Cancer and Reproductive Harm www.p65warnings.ca.gov