• 1627  CMW
  • Sketch for 1627  CMW

1627 CMW

Part #: 241-1627

Request 3D Model

Request 3D Model


Straight tips are durable and long lasting making them a good choice for use with any standard rocker arm, press type or bench mounted machine. The deep water hole ensures proper cooling of the weld face. They are a great choice for a job shop that run many different products on the same machines.

RMWA Class 1 (C15000) material - a copper zirconium material recommended for spot welding coated materials and highly conductive materials such as aluminum, magnesium alloys, brass and bronze.

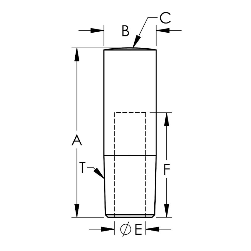
  • The overall length is 2.50 IN
  • The outside diameter is 0.625 IN
  • The part mounts via a 5RW standard taper which is suitable for weld forces ranging between 800 to 1500 pounds of force.
  • The F nose or Radius face tip is typically used for alumium welding because it provides point contact to break through the aluminum oxide layer on the surface while still providing an adequate weldface to manage the current density during welding.
  • The weld face is 10 inch radius

Specifications

RWMA Material Type RWMA Class 1 - C15000
RWMA Taper [T] 5RW
Nose Type F
Overall Length [A] 2.50000
Outer Diameter [B] 0.62500
Welding Face Dia. [C] 10 inch radius
Water Hole Dia. [E] 0.37500
Water Hole Depth [F] 1.750
Unit of Measure IN