• 3417  CMW
  • Sketch for 3417  CMW

3417 CMW

Part #: 238-3417

Request 3D Model

Request 3D Model


Straight tips are durable and long lasting making them a good choice for use with any standard rocker arm, press type or bench mounted machine. The deep water hole ensures proper cooling of the weld face. They are a great choice for a job shop that run many different products on the same machines.

RMWA Class 2 (C18200) material - a copper, chromium material recommend for high production operations spot welding hot or cold rolled steels, galvanized and coated materials.

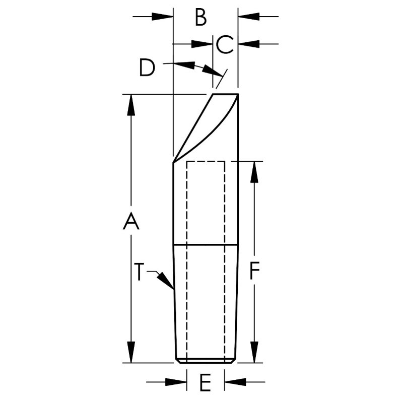
  • The overall length is 2.50 IN
  • The outside diameter is 0.482 IN
  • The part mounts via a 4RW standard taper which is suitable for weld forces ranging between 200 to 800 pounds of force.
  • The D nose or Offest face tip is used for welds in tight spaces typically on a flange or tight corner. It reqiures manual orientation during setup.
  • The weld face is 0.188 IN

Specifications

RWMA Material Type RWMA Class 2 - C18200
RWMA Taper [T] 4RW
Nose Type D
Overall Length [A] 2.50000
Outer Diameter [B] 0.48200
Welding Face Dia. [C] 0.188
Water Hole Dia. [E] 0.28100
Water Hole Depth [F] 2.000
Unit of Measure IN
Offset / Truncated Angle [D] 30.0

Notice for California Residents

WARNING: Cancer and Reproductive Harm WARNING: Cancer and Reproductive Harm www.p65warnings.ca.gov