• 3127  CMW
  • Sketch for 3127  CMW

3127 CMW

Part #: 234-3127

Request 3D Model

Request 3D Model


Straight tips are durable and long lasting making them a good choice for use with any standard rocker arm, press type or bench mounted machine. The deep water hole ensures proper cooling of the weld face. They are a great choice for a job shop that run many different products on the same machines.

RMWA Class 2 (C18200) material - a copper, chromium material recommend for high production operations spot welding hot or cold rolled steels, galvanized and coated materials.

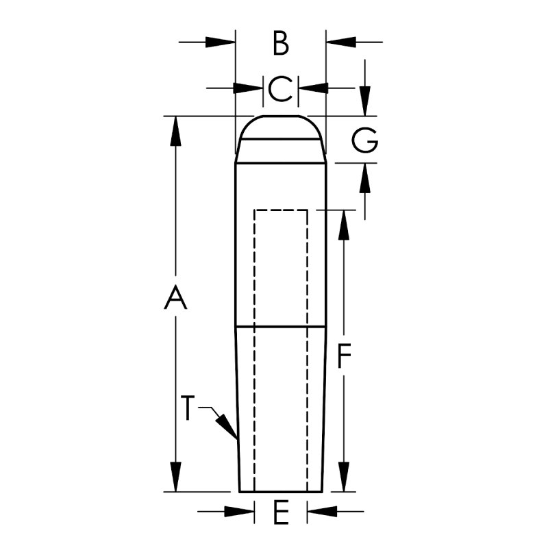
  • The overall length is 2.50 IN
  • The outside diameter is 0.625 IN
  • The part mounts via a 5RW standard taper which is suitable for weld forces ranging between 800 to 1500 pounds of force.
  • The B nose or Dome face tip is the most commonly used weldface because the design accomodates modest misalignment problems as contact can still be made on the radius during welding.
  • The weld face is 0.25 IN

Specifications

RWMA Material Type RWMA Class 2 - C18200
RWMA Taper [T] 5RW
Nose Type B
Overall Length [A] 2.50000
Outer Diameter [B] 0.62500
Welding Face Dia. [C] 0.25
Water Hole Dia. [E] 0.37500
Water Hole Depth [F] 1.750
Nose Length [G] 0.3750
Unit of Measure IN

Notice for California Residents

WARNING: Cancer and Reproductive Harm WARNING: Cancer and Reproductive Harm www.p65warnings.ca.gov