• 16-382102 CMW
  • Sketch for 16-382102 CMW

16-382102 CMW

Part #: 270-16-382102

Request 3D Model

Request 3D Model


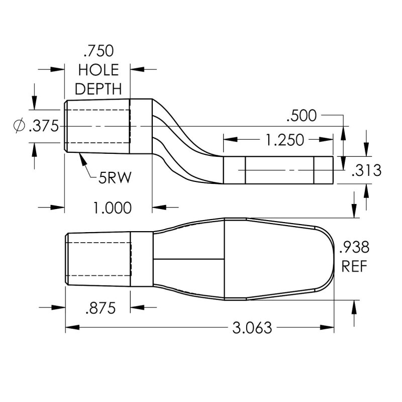
Spade Electrodes are standard electrodes with a flattened nose to allow a user to weld in tight spaces.

RMWA Class 2 (C18200) material - a copper, chromium material recommend for high production operations spot welding hot or cold rolled steels, galvanized and coated materials.

  • The overall length is 3.062 IN
  • The outside diameter is 0.625 IN
  • The part mounts via a 5RW standard taper which is suitable for weld forces ranging between 800 to 1500 pounds of force.
  • The tip has a spade or flattened nose for welds in tight spaces.
  • The weld face is 0.312 IN
  • The offset is 0.5 IN

Specifications

RWMA Material Type RWMA Class 2 - C18200
RWMA Taper 5RW
Nose Type Spade
Overall Length 3.06250
Outer Diameter 0.62500
Welding Face Dia. 0.3125
Offset 0.5000
Taper to Bend Length 1.0000
Bend to Nose Length 1.2500
Unit of Measure IN

Notice for California Residents

WARNING: Cancer and Reproductive Harm WARNING: Cancer and Reproductive Harm www.p65warnings.ca.gov