• 971050  CMW
  • Sketch for 971050  CMW

971050 CMW

Part #: 285-971050

Request 3D Model

Request 3D Model


Refractory metal tips are designed to withstand greater heat and pressure at the expense of some conductivity. They are used to spot weld high resistance base metals or to achieve desired heat balance when welding dissimilar materials, or for resistance brazing.

RMWA Class 2 (C18200) material - a copper, chromium material recommend for high production operations spot welding hot or cold rolled steels, galvanized and coated materials.

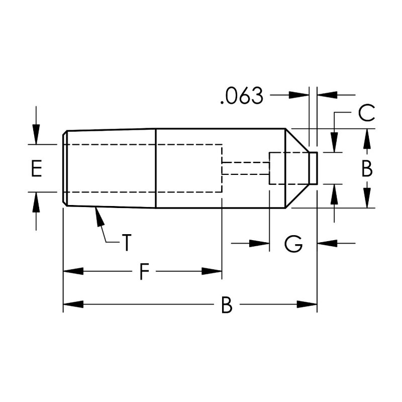
  • The overall length is 2.000 IN
  • The outside diameter is 0.482 IN
  • The part mounts via a 4RW standard taper which is suitable for weld forces ranging between 200 to 800 pounds of force.
  • The A nose or Pointed face tip is a general purpose weld face suitable for most spot welding applications.
  • The weld face is 0.188 IN
  • The refractory metal face is RWMA Class 13 (100% tungsten) which does not alloy appreciably with non-ferrous materials. Therefore, it is commonly used for cross-wire welding of materials such as copper and brass.

Specifications

Face Refractory Material RWMA Class 13 - 100W
Base RWMA Material Type RWMA Class 2 - C18200
RWMA Taper [T] 4RW
Nose Type A
Overall Length [A] 2.00000
Outer Diameter [B] 0.48200
Welding Face Dia. [C] 0.1875
Water Hole Dia. [E] 0.28100
Water Hole Depth [F] 1.500
Refractory Metal Thickness [G] 0.375
Unit of Measure IN

Notice for California Residents

WARNING: Cancer and Reproductive Harm WARNING: Cancer and Reproductive Harm www.p65warnings.ca.gov