• 933050 CMW
  • Sketch for 933050 CMW

933050 CMW

Part #: 285-933050

Request 3D Model

Request 3D Model


Refractory metal tips are designed to withstand greater heat and pressure at the expense of some conductivity. They are used to spot weld high resistance base metals or to achieve desired heat balance when welding dissimilar materials, or for resistance brazing.

RMWA Class 2 (C18200) material - a copper, chromium material recommend for high production operations spot welding hot or cold rolled steels, galvanized and coated materials.

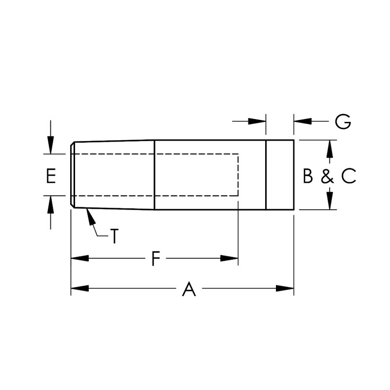
  • The overall length is 2.000 IN
  • The outside diameter is 0.875 IN
  • The part mounts via a 7RW standard taper which is suitable for weld forces ranging between 2,000 to 2,400 pounds of force.
  • The C nose of Flat face tip is frequently used as a backup electrode for projection welding, cosmetic welds, or to control heat balancing of the weld by controlling the current density.
  • The weld face is 0.875 IN
  • The refractory metal face is RWMA Class 13 (100% tungsten) which does not alloy appreciably with non-ferrous materials. Therefore, it is commonly used for cross-wire welding of materials such as copper and brass.

Specifications

Face Refractory Material RWMA Class 13 - 100W
Base RWMA Material Type RWMA Class 2 - C18200
RWMA Taper [T] 7RW
Nose Type C
Overall Length [A] 2.00000
Outer Diameter [B] 0.87500
Welding Face Dia. [C] 0.875
Water Hole Dia. [E] 0.50000
Water Hole Depth [F] 1.375
Refractory Metal Thickness [G] 0.250
Unit of Measure IN

Notice for California Residents

WARNING: Cancer and Reproductive Harm WARNING: Cancer and Reproductive Harm www.p65warnings.ca.gov