• 611050 CMW
  • Sketch for 611050 CMW

611050 CMW

Part #: 285-611050

Request 3D Model

Request 3D Model


Refractory metal tips are designed to withstand greater heat and pressure at the expense of some conductivity. They are used to spot weld high resistance base metals or to achieve desired heat balance when welding dissimilar materials, or for resistance brazing.

RMWA Class 2 (C18200) material - a copper, chromium material recommend for high production operations spot welding hot or cold rolled steels, galvanized and coated materials.

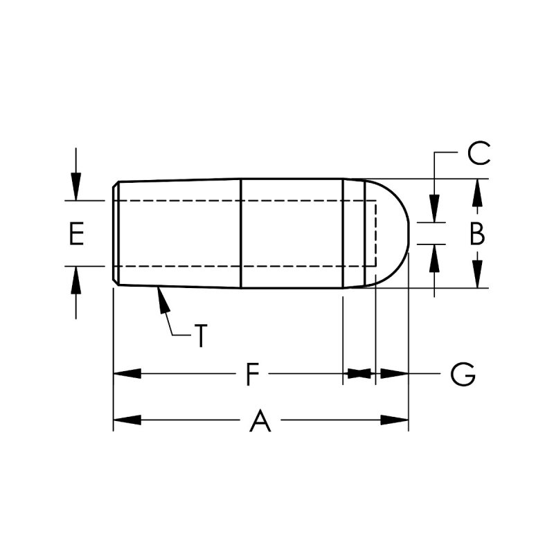
  • The overall length is 2.000 IN
  • The outside diameter is 0.482 IN
  • The part mounts via a 4RW standard taper which is suitable for weld forces ranging between 200 to 800 pounds of force.
  • The B nose or Dome face tip is the most commonly used weldface because the design accomodates modest misalignment problems as contact can still be made on the radius during welding.
  • The weld face is 0.125 IN
  • A refractory metal face made from RWMA Class 11 (75% tungsten, 25% copper) (ASTM 702 C1D) is brazed onto the base material. This face is typically used for welding at higher pressure and heat common with projection welding.

Specifications

Face Refractory Material RWMA Class 11 - 10W
Base RWMA Material Type RWMA Class 2 - C18200
RWMA Taper [T] 4RW
Nose Type B
Overall Length [A] 2.00000
Outer Diameter [B] 0.48200
Welding Face Dia. [C] 0.125
Water Hole Dia. [E] 0.28100
Water Hole Depth [F] 1.500
Refractory Metal Thickness [G] 0.250
Unit of Measure IN

Notice for California Residents

WARNING: Cancer and Reproductive Harm WARNING: Cancer and Reproductive Harm www.p65warnings.ca.gov