• MPGD254 CMW
  • Sketch for MPGD254 CMW

MPGD254 CMW

Part #: 2-MPGD254

Request 3D Model

Request 3D Model


Female caps are a cost effective solution for automated environments because the caps can be quickly changed when the face wears out. Female caps are the most economical cap because they require less copper to manufacture than male caps.

RMWA Class 2 (C18200) material - a copper, chromium material recommend for high production operations spot welding hot or cold rolled steels, galvanized and coated materials.

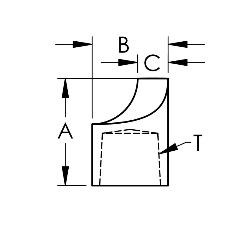
  • The overall length is 0.8800 IN
  • The outside diameter is 0.625 IN
  • The part mounts via a 5RW cap taper which is suitable for weld forces ranging between 800 to 1500 pounds of force.
  • The G nose is a patented design for welding galvanized steels. It does not stick on the first weld and increases tip life by 10 times before redressing by rolling away the brassing on the weld face. The GCAP also consumes up 25% less electric power. (Patents 19,954,687; 5,015,816; 5,126,528)
  • The weld face is 0.25 IN

Specifications

RWMA Material Type RWMA Class 2 - C18200
RWMA Taper [T] 5RW Cap Taper
Nose Type G
Overall Length [A] 0.88000
Outer Diameter [B] 0.62500
Welding Face Dia. [C] 0.25
Unit of Measure IN

Notice for California Residents

WARNING: Cancer and Reproductive Harm WARNING: Cancer and Reproductive Harm www.p65warnings.ca.gov