• 16-3863  CMW
  • Sketch for 16-3863  CMW

16-3863 CMW

Part #: 286-16-3863

Request 3D Model

Request 3D Model


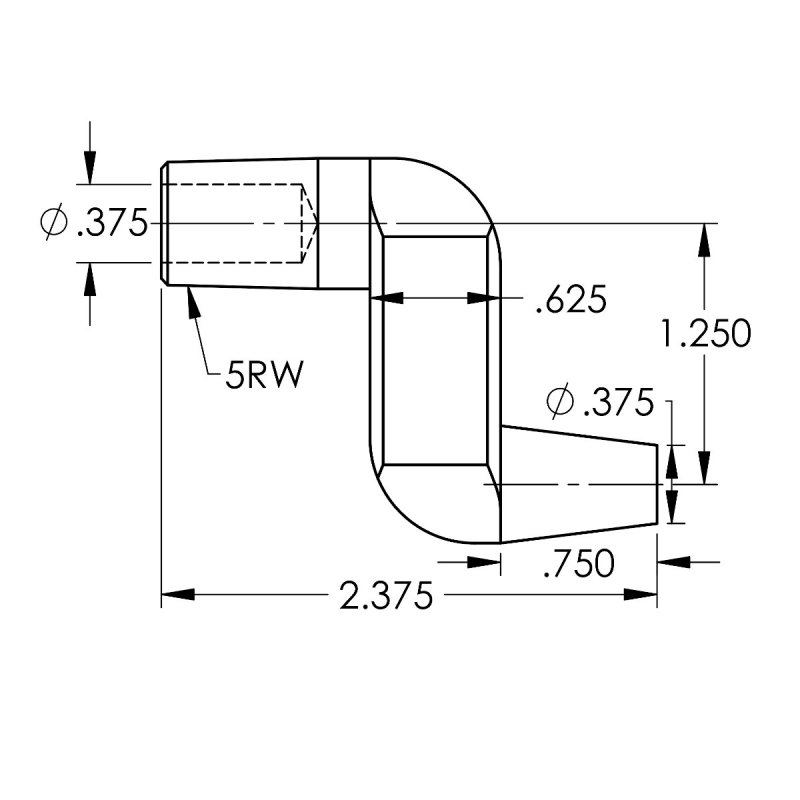
Crank Electrodes are very strong double bend electrodes designed for higher force applications than standard double bend electrodes because the water hole does not reach the nose.

RMWA Class 2 (C18200) material - a copper, chromium material recommend for high production operations spot welding hot or cold rolled steels, galvanized and coated materials.

  • The overall length is 2.375 IN
  • The part mounts via a 5RW standard taper which is suitable for weld forces ranging between 800 to 1500 pounds of force.
  • The C nose of Flat face tip is frequently used as a backup electrode for projection welding, cosmetic welds, or to control heat balancing of the weld by controlling the current density.
  • The weld face is 0.375 IN
  • The offset is 1.25 IN
  • The part is made from a casting

Specifications

RWMA Material Type RWMA Class 2 - C18200
RWMA Taper 5RW
Nose Type C
Overall Length 2.37500
Welding Face Dia. 0.375
Offset 1.2500
Water Hole Diameter 0.37500
Taper to Bend Length 1.0000
Bend to Nose Length 0.7500
Unit of Measure IN
Cast Part Yes

Notice for California Residents

WARNING: Cancer and Reproductive Harm WARNING: Cancer and Reproductive Harm www.p65warnings.ca.gov