• 16-3836  CMW
  • Sketch for 16-3836  CMW

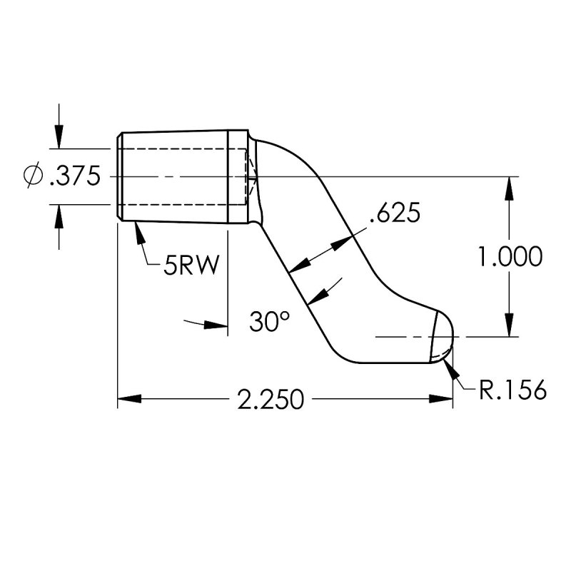
16-3836 CMW

Part #: 286-16-3836

Request 3D Model

Request 3D Model


Crank Electrodes are very strong double bend electrodes designed for higher force applications than standard double bend electrodes because the water hole does not reach the nose.

RMWA Class 2 (C18200) material - a copper, chromium material recommend for high production operations spot welding hot or cold rolled steels, galvanized and coated materials.

  • The overall length is 2.250 IN
  • The outside diameter is 0.625 IN
  • The part mounts via a 5RW standard taper which is suitable for weld forces ranging between 800 to 1500 pounds of force.
  • The A nose or Pointed face tip is a general purpose weld face suitable for most spot welding applications.
  • The weld face is .156 inch radius IN
  • The offset is 1.00 IN
  • The part is made from a casting

Specifications

RWMA Material Type RWMA Class 2 - C18200
RWMA Taper 5RW
Nose Type A
Overall Length 2.25000
Outer Diameter 0.62500
Welding Face Dia. .156 inch radius
Offset 1.0000
Water Hole Diameter 0.37500
Taper to Bend Length 0.8750
Unit of Measure IN
Cast Part Yes

Notice for California Residents

WARNING: Cancer and Reproductive Harm WARNING: Cancer and Reproductive Harm www.p65warnings.ca.gov