• 16-3873  CMW
  • Sketch for 16-3873  CMW

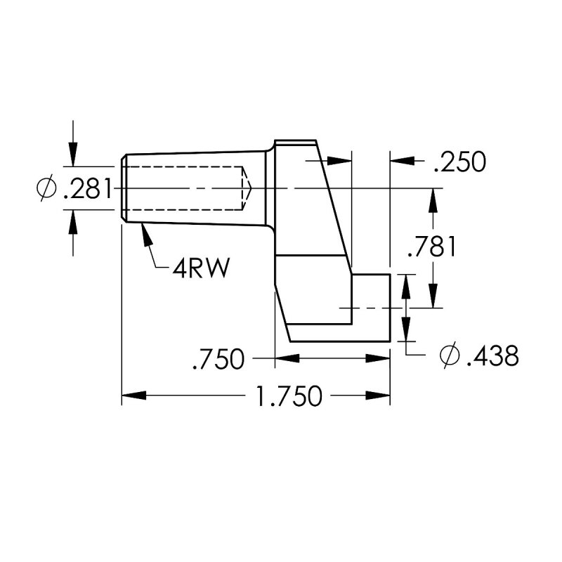
16-3873 CMW

Part #: 270-16-3873

Request 3D Model

Request 3D Model


Crank Electrodes are very strong double bend electrodes designed for higher force applications than standard double bend electrodes because the water hole does not reach the nose.

RMWA Class 2 (C18200) material - a copper, chromium material recommend for high production operations spot welding hot or cold rolled steels, galvanized and coated materials.

  • The overall length is 1.750 IN
  • The part mounts via a 4RW standard taper which is suitable for weld forces ranging between 200 to 800 pounds of force.
  • The C nose of Flat face tip is frequently used as a backup electrode for projection welding, cosmetic welds, or to control heat balancing of the weld by controlling the current density.
  • The weld face is 0.438 IN
  • The offset is 0.78 IN
  • The part is made from a casting

Specifications

RWMA Material Type RWMA Class 2 - C18200
RWMA Taper 4RW
Nose Type C
Overall Length 1.75000
Welding Face Dia. 0.4375
Offset 0.7813
Water Hole Diameter 0.28100
Taper to Bend Length 1.0000
Bend to Nose Length 0.2500
Unit of Measure IN
Cast Part Yes

Notice for California Residents

WARNING: Cancer and Reproductive Harm WARNING: Cancer and Reproductive Harm www.p65warnings.ca.gov