• 16-38351 CMW
  • Sketch for 16-38351 CMW

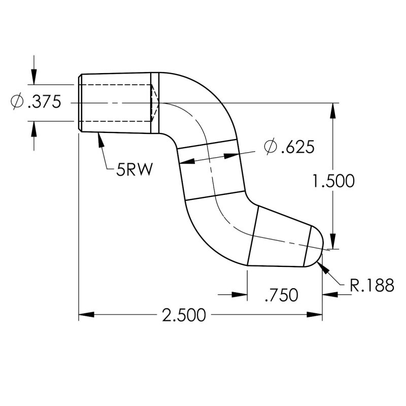
16-38351 CMW

Part #: 270-16-38351

Request 3D Model

Request 3D Model


Crank Electrodes are very strong double bend electrodes designed for higher force applications than standard double bend electrodes because the water hole does not reach the nose.

RMWA Class 2 (C18200) material - a copper, chromium material recommend for high production operations spot welding hot or cold rolled steels, galvanized and coated materials.

  • The overall length is 2.500 IN
  • The outside diameter is 0.625 IN
  • The part mounts via a 5RW standard taper which is suitable for weld forces ranging between 800 to 1500 pounds of force.
  • The A nose or Pointed face tip is a general purpose weld face suitable for most spot welding applications.
  • The weld face is .188 inch radius IN
  • The offset is 1.50 IN

Specifications

RWMA Material Type RWMA Class 2 - C18200
RWMA Taper 5RW
Nose Type A
Overall Length 2.50000
Outer Diameter 0.62500
Welding Face Dia. .188 inch radius
Offset 1.5000
Water Hole Diameter 0.37500
Bend to Nose Length 0.7500
Unit of Measure IN

Notice for California Residents

WARNING: Cancer and Reproductive Harm WARNING: Cancer and Reproductive Harm www.p65warnings.ca.gov