• 18-7742 CMW
  • Sketch for 18-7742 CMW

18-7742 CMW

Part #: 290-18-7742

Request 3D Model

Request 3D Model


The Tapered Adapter is designed for use with a threaded Nut or Stud Welding electrode and the Cooling Chamber. This allows you to maximize the life of the more expensive 10W faced electrode.

RMWA Class 2 material is high conductivity and high strength alloy recommended for structural, current carrying secondary components and electrode holders. This is a heat treatable alloy used in the fully heat treated condition.

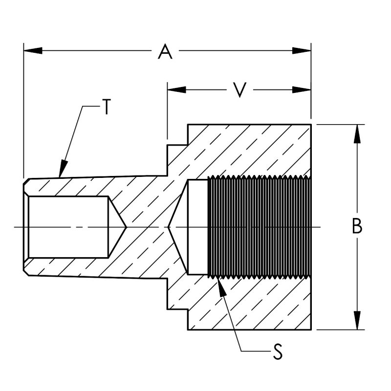
  • The overall length is 1.75 IN.
  • The hex width is 1 IN.
  • The part mounts via a 5RW taper.
  • The part holds a subcomponent via a 5/8 - 18 threads.
  • The length of the thread is 0.625 IN.

Specifications

RWMA Material Type RWMA Class 2
Engagement to Holder [T] 5RW
Overall Length [A] 1.75000
Outer Diameter [B] 1.00000
Body Length [V] 0.8750
Unit of Measure IN
Thread Type [S] Female

Notice for California Residents

WARNING: Cancer and Reproductive Harm WARNING: Cancer and Reproductive Harm www.p65warnings.ca.gov