• 16-37826-M12 CMW
  • Sketch for 16-37826-M12 CMW

16-37826-M12 CMW

Part #: 275-16-37826-M12

Request 3D Model

Request 3D Model


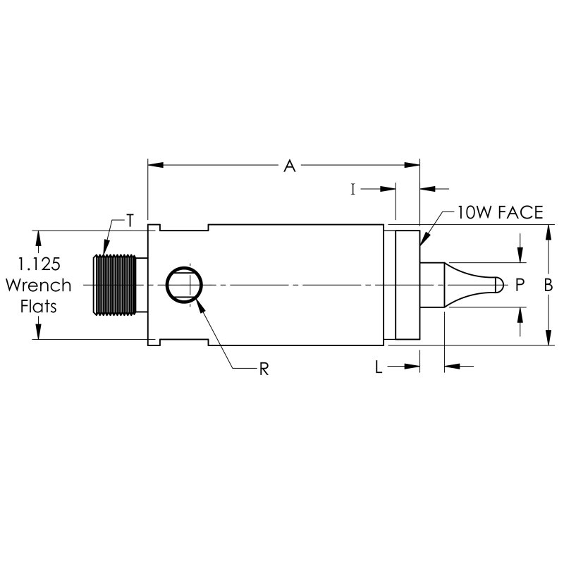
The Chameleon Max-Life Nut Electrode is a flexible solution designed for projection welding nuts. The weld head and insulated, spring loaded pin can easily be replaced after excessive wear to reduce tooling costs. The air port can be used to blow slag away from the weld face and pin after each weld.

A refractory metal face is made of RWMA Class 11 (75% tungsten, 25% copper) (ASTM 702 C1D) is brazed onto the base material. This face is typically used for welding at higher pressure and heat common with projection welding.

  • The overall length is 2.813 IN
  • The weld face diameter is 1.25 IN
  • The part mounts via 5/8 - 18 threads.
  • The part has a spring loaded insulated pilot for welding a 12 mm nut.
  • The diameter of the pin is 0.502 IN
  • The part has a 1/8 NPT threaded port for an air line

Specifications

Face Refractory Material RWMA Class 11 - 10W
RWMA Material Type RWMA Class 2 - C18200
Engagement to Holder [T] 5/8 - 18
Overall Length [A] 2.81300
Weld Face Diameter [B] 1.25
Pin Diameter [P] 0.5020
Pin Stickout [L] 0.2500
For Nut Size 12 mm
Refractory Material Thickness [I] 0.250
Unit of Measure IN
Spring Included Yes
Inlet for Airline [R] 1/8 NPT

Notice for California Residents

WARNING: Cancer and Reproductive Harm WARNING: Cancer and Reproductive Harm www.p65warnings.ca.gov