• 538030 CMW
  • Sketch for 538030 CMW

538030 CMW

Part #: 275-538030

Request 3D Model

Request 3D Model


NU-TWIST Electrodes have a flat bottom which allows for welding at forces greater than 2,000 LBS. The parts are designed for use with Nu-Twist holders. The double groove construction accurately positions the electrode by rotating the Nu-Twist Nut.

RWMA Class 3 (C18000) is a beryllium free resistance welding alloy recommended for spot welding high resistance materials such as stainless steel, Nichrome, Inconel and Monel.

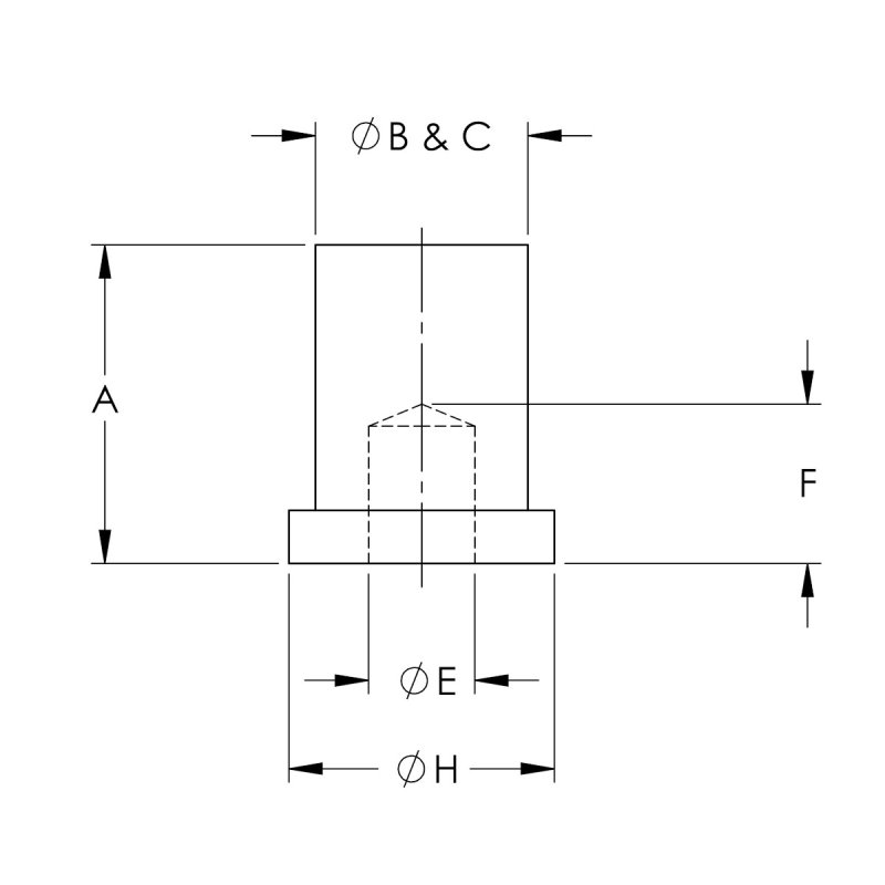
  • The overall length is 1.500 IN
  • The outside diameter of the electrode base is 0.625 IN
  • The part mounts to Size 1 high pressure NU-TWIST holder via a threaded coupling
  • The C nose of Flat face tip is frequently used as a backup electrode for projection welding, cosmetic welds, or to control heat balancing of the weld by controlling the current density.
  • The weld face is 0.5 IN

Specifications

RWMA Material Type RWMA Class 3 - C18000
NU-TWIST Tip Size Size 1
Nose Type C
Overall Length [A] 1.50000
Electrode Seat Diameter [H] 0.62500
Welding Face Dia. [C] 0.5
Water Hole Diameter [E] 0.50000
Water Hole Depth [F] 1.125
Stickout from Adapter [L] 1.2500
Unit of Measure IN

Notice for California Residents

WARNING: Cancer and Reproductive Harm WARNING: Cancer and Reproductive Harm www.p65warnings.ca.gov