• 338014 CMW
  • Sketch for 338014 CMW

338014 CMW

Part #: 275-338014

Request 3D Model

Request 3D Model


NU-TWIST Electrodes have a flat bottom which allows for welding at forces greater than 2,000 LBS. The parts are designed for use with Nu-Twist holders. The double groove construction accurately positions the electrode by rotating the Nu-Twist Nut.

RMWA Class 2 (C18200) material - a copper, chromium material recommend for high production operations spot welding hot or cold rolled steels, galvanized and coated materials.

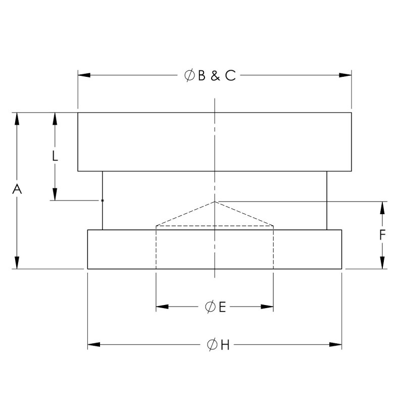
  • The overall length is 1.000 IN
  • The outside diameter of the electrode base is 1.625 IN
  • The part mounts to Size 4 high pressure NU-TWIST holder via a threaded coupling
  • The C nose of Flat face tip is frequently used as a backup electrode for projection welding, cosmetic welds, or to control heat balancing of the weld by controlling the current density.
  • The weld face is 1.75 IN

Specifications

RWMA Material Type RWMA Class 2 - C18200
NU-TWIST Tip Size Size 4
Nose Type C
Overall Length [A] 1.00000
Electrode Seat Diameter [H] 1.62500
Welding Face Dia. [C] 1.75
Water Hole Diameter [E] 1.75000
Water Hole Depth [F] 0.500
Stickout from Adapter [L] 0.5000
Unit of Measure IN

Notice for California Residents

WARNING: Cancer and Reproductive Harm WARNING: Cancer and Reproductive Harm www.p65warnings.ca.gov